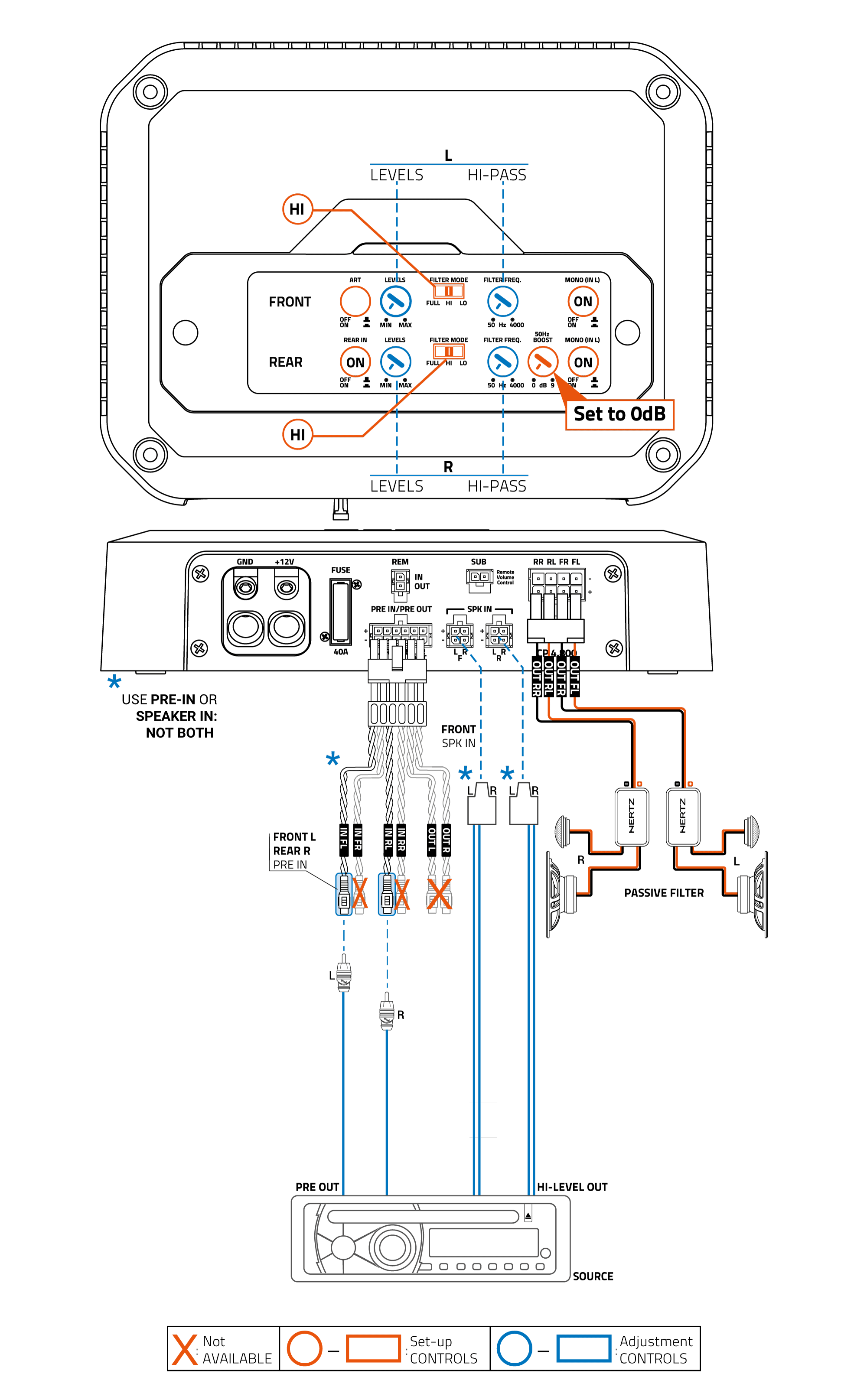
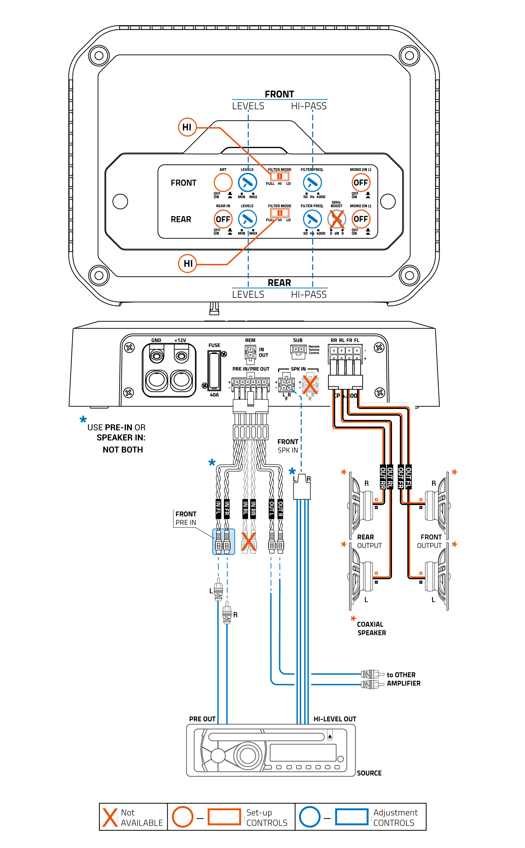
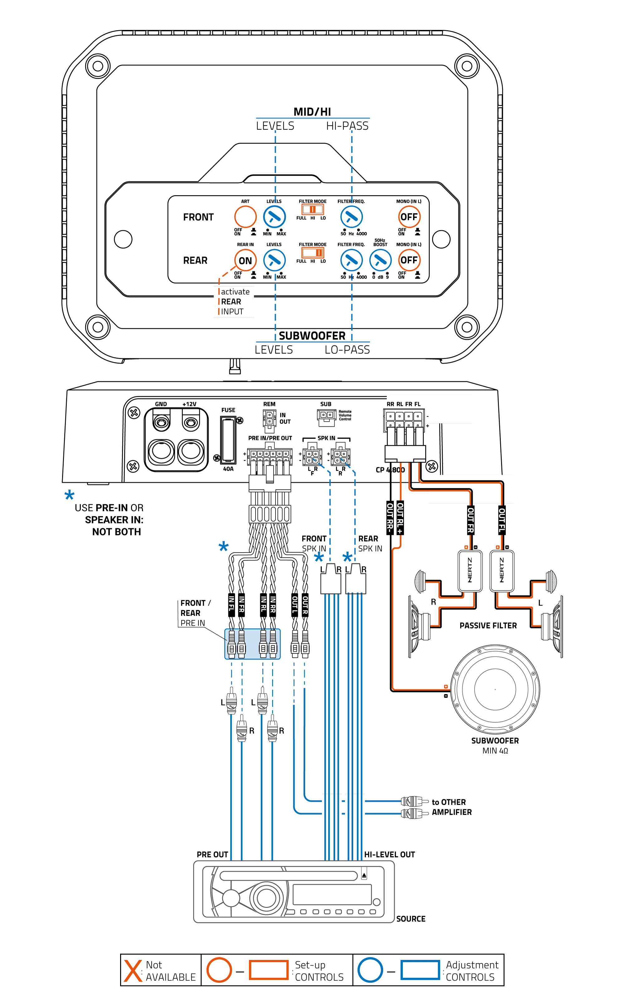
6. ESEMPI DI INSTALLAZIONE Leonardo Doffo 13 novembre 2024 13:22 Aggiornato 4Ch - FRONT + REAR Utilizzando anche i canali POSTERIORI 4Ch - WOOFER + MID/HI 3Ch - FRONT + SUB Utilizzando i canali POSTERIORI per pilotare il SUBWOOFER 2Ch - BRIDGE LEFT + RIGHT Articoli correlati 7. SCHEMA A BLOCCHI 5. CONTROLLI 4. CONNESSIONI DI INGRESSO / USCITA 2. INSTALLAZIONE E MISURE 1. CONTENUTO DELL'IMBALLO