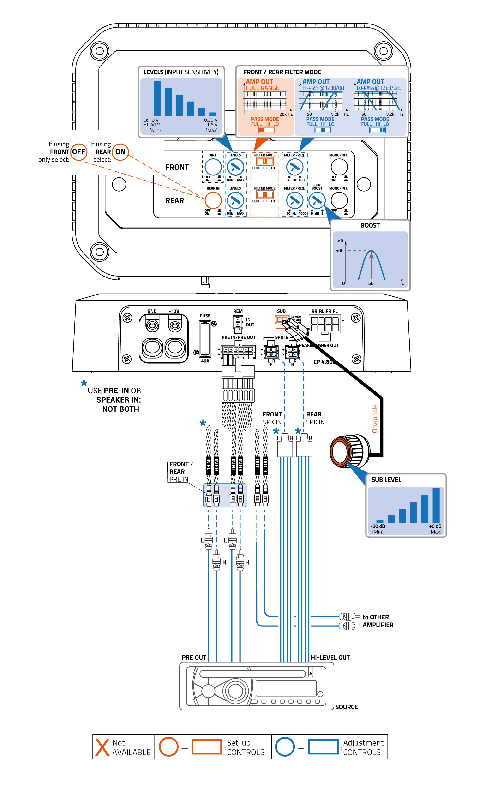
5. CONTROLLI Leonardo Doffo 9 ottobre 2024 10:46 Aggiornato Articoli correlati 6. ESEMPI DI INSTALLAZIONE 4. CONNESSIONI DI INGRESSO / USCITA 7. SCHEMA A BLOCCHI 3. ALIMENTAZIONE E PROTEZIONE 1. CONTENUTO DELL'IMBALLO