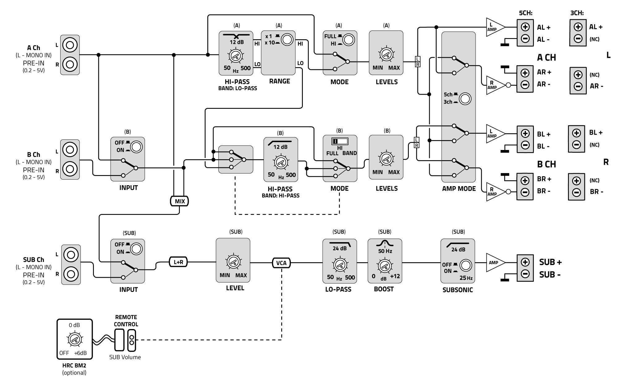
7. SCHEMA A BLOCCHI Leonardo Doffo 29 agosto 2024 14:47 Aggiornato Articoli correlati 6. ESEMPI DI INSTALLAZIONE 5. CONTROLLI 4. CONNESSIONI DI INGRESSO / USCITA E CONTROLLO REMOTO VOLUME SUBWOOFER 3. ALIMENTAZIONE E PROTEZIONE 1 CONTENUTO DELL'IMBALLO