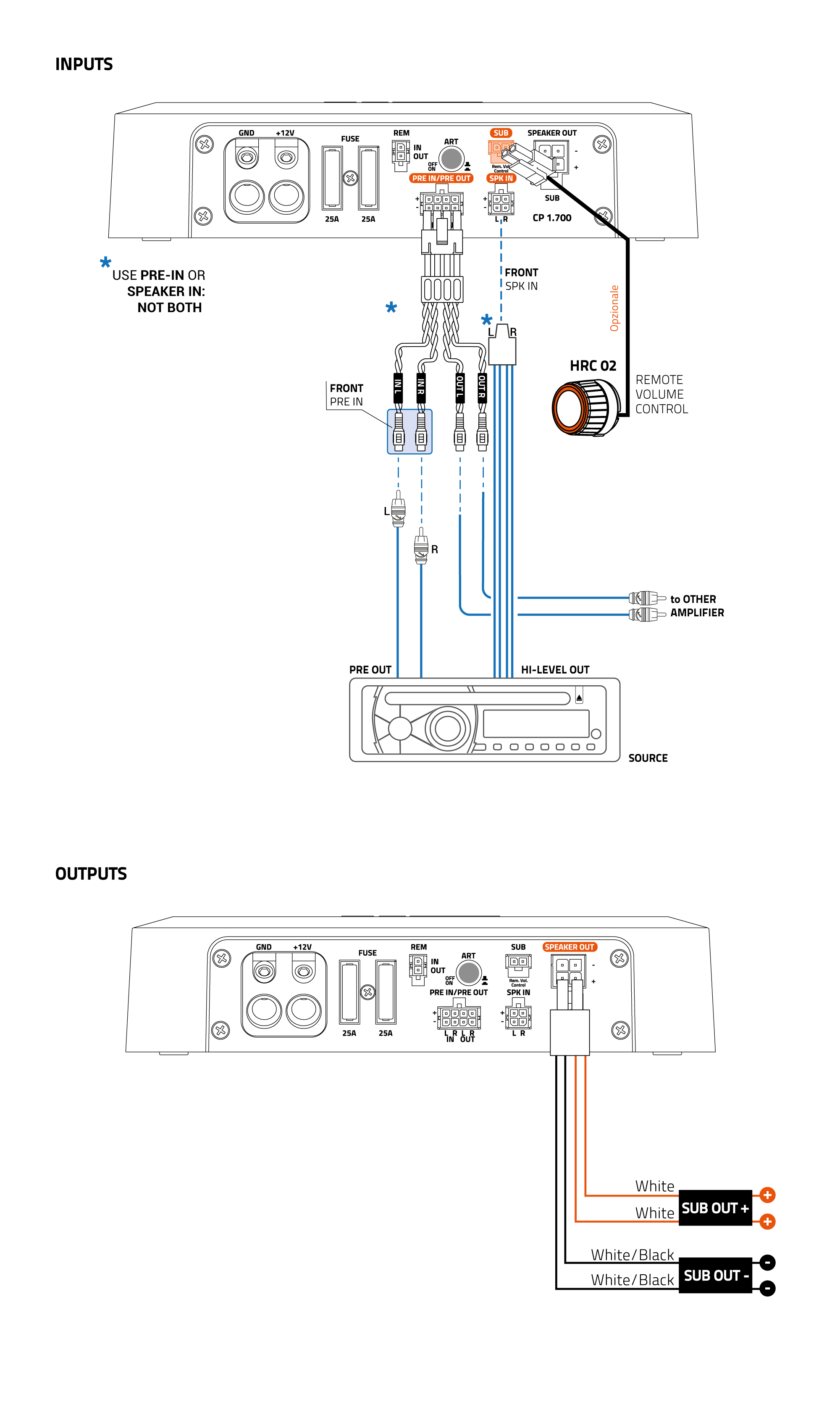
4. CONNESSIONI DI INGRESSO / USCITA E CONTROLLO REMOTO VOLUME SUBWOOFER Leonardo Doffo 9 ottobre 2024 08:54 Aggiornato Articoli correlati 5. CONTROLLI 6. ESEMPI DI INSTALLAZIONE 3. ALIMENTAZIONE E PROTEZIONE 2. INSTALLAZIONE E MISURE 1. CONTENUTO DELL'IMBALLO