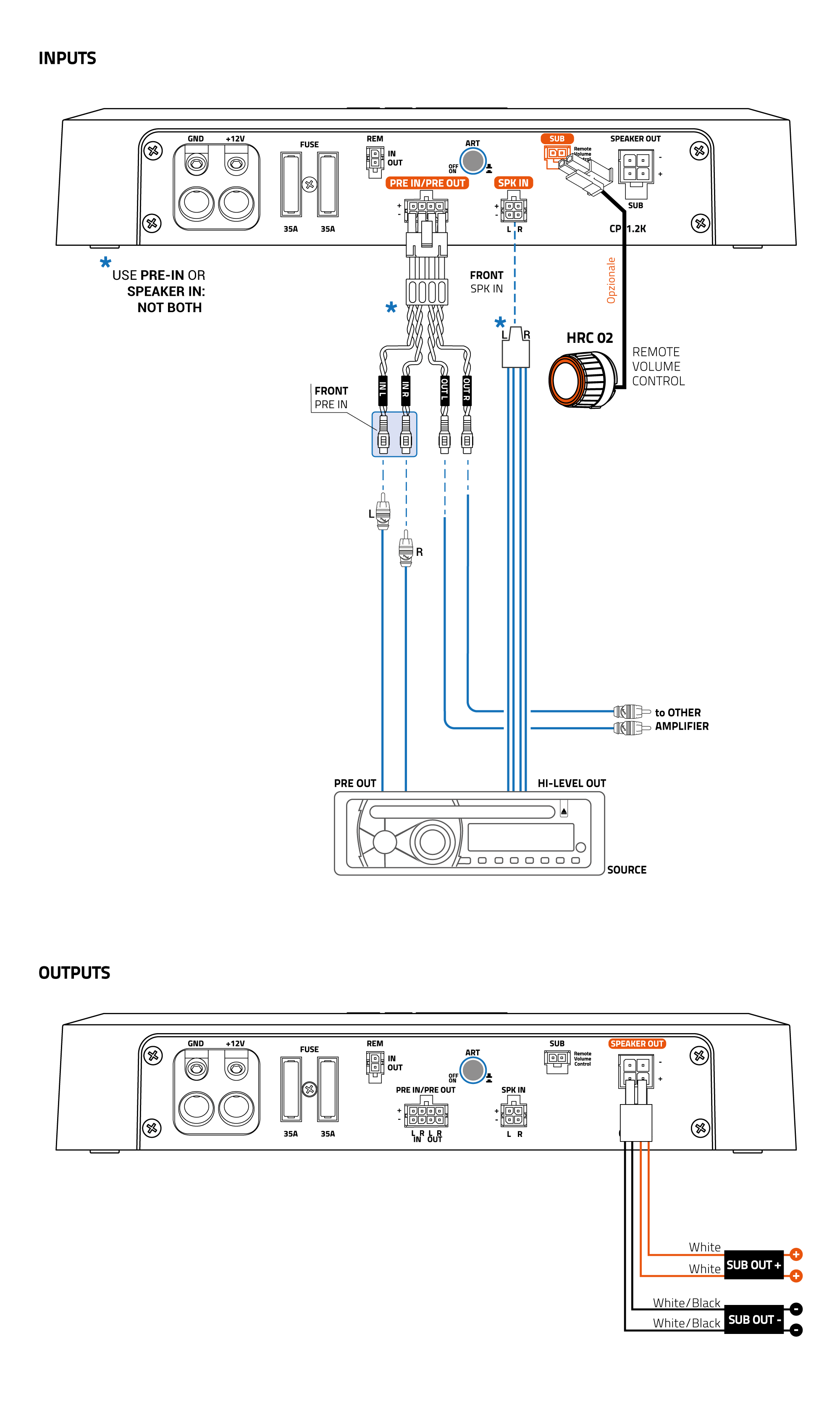
4. CONNESSIONI DI INGRESSO / USCITA E CONTROLLO REMOTO VOLUME SUBWOOFER Leonardo Doffo 9 ottobre 2024 09:17 Aggiornato Articoli correlati 5. CONTROLLI 6. ESEMPI DI INSTALLAZIONE 3. ALIMENTAZIONE, ACCENSIONE E PROTEZIONE 2. INSTALLAZIONE E MISURE 4. CONNESSIONI DI INGRESSO / USCITA