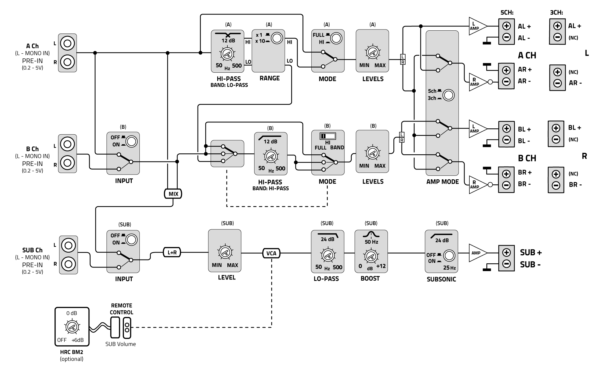
7. BLOCK DIAGRAMS Matteo Kalogris 30 January 2023 08:40 Updated Related articles 6. INSTALLATION EXAMPLES 5. CONTROLS 3. POWER SUPPLY AND PROTECTION 2. INSTALLATION AND SIZE 4. INPUT / OUTPUT CONNECTION AND SUBWOOFER REMOTE VOLUME CONTROL